网站首页
公司简介
公司简介
轴承类型
深沟球轴承
调心球轴承
角接触球轴承
圆柱滚子轴承
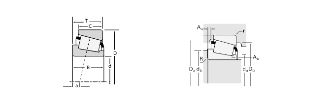
圆锥滚子轴承
推力球轴承
调心滚子轴承
滚针轴承
推力圆柱滚子轴承
推力角接触球轴承
推力滚子轴承
外球面球轴承
直线运动轴承
关节轴承
带座外球面球轴承
滚轮轴承
库存展示
库存展示
新闻中心
公司新闻
行业动态
联系我们
在线预订
搜索
兴智德(上海)传动设备有限公司
兴智德(上海)传动设备有限公司
您的位置:
首 页
>
轴承类型
>
圆锥滚子轴承
TIMKEN 30311M 圆锥滚子轴承
产品详情
在线预订
*
*
*
*
*
扫一扫添加微信
兴智德(上海)传动设备有限公司
沪ICP备2024045276号-3